线性电源VS开关电源
电源按照转换原理分类,可分为线性电源和开关电源。我们对电源进行线性电源和开关电源分类的时候,其实要明确是AC/DC还是DC/DC。虽然这个分类是为了区分转化的原理。但是实现AC/DC功能的线性电源和开关电源,都是完整的交流转化为直流的过程吗,其中有些电路的一部分就是由DC/DC组成的。
AC/DC的线性电源与开关电源
有很多的课本、书籍、文章,直接会把线性电源特指“AC/DC的线性电源”,什么是线性电源?线性电源(Linear power supply)是先将交流电经过变压器降低电压幅值,再经过整流电路整流后,得到脉冲直流电,后经滤波得到带有微小波纹电压的直流电压。
AC/DC的线性电源和开关电源的特点区别如下:
AC/DC的线性电源先用工频变压器进行交流电降压,然后对其进行整流。通过变压器降压后电压已经比较低了,可以使用三端稳压器等电源芯片进行稳压。线性电源的调整管工作在放大状态,因而发热量大,效率低(与压降多少有关),需要加体积庞大的散热片。工频变压器体积也相对比较大,当要制作多组电压输出时,变压器体积会更大。
AC/DC开关电源的调整管工作在饱和和截止状态,因而发热量小,效率高。AC/DC开关电源省掉了大体积的工频变压器。但AC/DC开关电源输出的直流上面会叠加较大的纹波,在输出端并接稳压二极管有可能可以改善,另外由于开关管工作时会产生很大的尖峰脉冲干扰,也需要在电路中串连磁珠加以改善。相对而言线性电源的纹波可以做得很小。开关电源通过不同的拓扑结构可以实现,降压、升压、升降压,而线性电源只能实现降压。
早期很多电源适配器都比较重,其转换原理就是AC/DC线性电源,其内部用的是工频变压器。AC/DC线性电源是先用变压器把交流电压进行降压,这种直接在市电进行降压的变压器,我们称为工频变压器,如图1.9所示。工频变压器也称作低频变压器,以示与开关电源用高频变压器有区别,工频变压器在过去传统的电源中大量使用。工频电力工业的市电标准频率,一般也称作市电(“市电”是指:城市里主要供居民使用的电源)频率,在我国是50Hz,其他国家也有60Hz的。可以改变这个频率交流电的电压的变压器,就是叫工频变压器了。工频变压器相对于高频变压器,一般体积比较大。所以有工频变压器实现的AC/DC线性电源体积也就比较大。

工频变压器
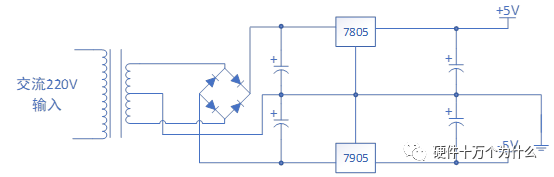
下图是典型的线性电源电路图,实现交流转直流的电源,市电交流220V经过变压器、整流器、电容滤波,由线性稳压管实现需要的输出电压,实例中实现+5V和-5V两个直流的输出。

典型的线性电源电路图
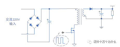
60年代开始,由于微电子技术的快速发展,出现了高反压的晶体管,从此直流变换器就可以直接由市电经整流、滤波后输出一个高压直流,作为电源转换电路的输入,不再需要工频变压器降压了,从而极大地扩大了它的应用范围,并在此基础上诞生了无工频降压变压器的开关电源。省掉了工频变压器,又使开关稳压电源的体积和重量大为减小,开关稳压电源才真正做到了效率高、体积小、重量轻。下图是一个典型的单端输出反激式开关电源的功率部分原理图。

典型的单端输出反激式开关电源的功率部分原理图
交流/直流开关电源是需要先对交流电源进行整流滤波形成一个近似的直流高压,然后再通过控制开关管,产生高频的脉冲,通过变压器进行变压。交流/直流开关电源效率更高,体积更小。体积小的一个重要原因是高频变压器比工频变压器体积小很多。为什么频率越高,变压器体积越小?
变压器铁心材料都有饱和限制,所以磁场强度的峰值都有限制。而交流电的电流、磁场强度、磁通量都是正弦信号。我们知道,同样幅度的正弦信号,频率越高,信号的“变化率”的峰值也越大(正弦信号过零的瞬间是“变化率”的峰值,而信号峰值时变化率是0)。同时,感生电压又是由磁通量的变化率决定的。所以,同样的每匝电压,频率越高,需要的磁通量的峰值,就可以越小。但是上面已经说过,磁场强度的峰值是有限制的。故磁通量要求小了,铁芯的横截面积就可以小。上面的分析,是假定同样的每匝电压。而每匝电压这就和功率有关了。因此,也就是假定同样的功率。假如功率小一些,电流也就小一些,允许的导线细一些,电阻稍大一些,就允许增加匝数,这样,每匝的电压也就减小了,同样可以减小磁通量的要求。进而减小体积。还有,上面的分析,是假定材料一定,即饱和磁场强度一定。当然,如果采用了具有更高饱和磁场强度的材料,也可以减小体积的。我们知道,现在的变压器,和几十年前的同样规模变压器相比,现在的体积要小得多,就是因为现在采用了新型铁芯材料。
根据麦克斯韦方程,变压器线圈内的感生电动势E为

也就是磁通密度B随时间的变化率在N个面积为Ac的线匝的积分。
对于变压器,变压器原边的感生电动势E与输入侧加的电压U可以认为是线性关系。变压器输入侧的U幅值不变的前提下可以认为E幅值也不变。
此外,每种磁芯的磁通密度B会有一个上限,高频用的铁氧体大约在零点几特斯拉,工频用的铁芯大约在略大于一的水平,差距不是很大。
因此,当频率提高后,在磁通密度B峰值变化不大的前提下,每个周期内的磁通密度变化率dB/dt是大幅增加的,因此可以用更小的Ac或N实现相同的感生电动势E。Ac减小,意味着磁芯截面面积减小;N减小,意味着可以缩小磁芯空窗的面积,两者都可以帮助实现更小的磁芯体积。高频变压器的横截面积更小,线圈的匝数变少,这样它的体积也就更小了。
开关电源的调整管工作在饱和和截至状态,因而发热量小,效率高。AC/DC开关电源不需要使用大体积的工频变压器。但开关电源输出的直流上面会叠加较大的纹波,另外由于开关管工作时会产生很大的尖峰脉冲干扰,也需要在电路中对电源进行滤波加以改善电源的质量。相对而言线性电源就没有以上缺陷,它的纹波可以做的很小。
DC/DC的线性电源与开关电源
几乎所有电子相关专业的同学,接触最早的一个稳压电源,也是最简单的一种稳压电源,就是三端稳压器,也是一种线性电源。
常见的三端稳压集成电路有正电压输出的78XX系列和负电压输出的79XX系列。
三端稳压器是指这种可以实现稳压电压输出的集成电路,只有三条引脚输出,分别是输入端、接地端和输出端。经常在有些电路实验课程中,它的样子像是三极管,一般为TO-220 的标准封装,也有TO-92封装,如图所示。这种大封装的三端稳压器,可以实现大功率。
用78/79系列三端稳压器来组成稳压电源所需的外围元件极少,电路内部还有过流、过热及调整管的保护电路,使用起来可靠、方便,而且价格便宜。该系列集成稳压IC型号中的78或79后面的数字代表该三端集成稳压电路的输出电压,如7806表示输出电压为正6V,7909表示输出电压为负9V。因为使用方便,电子制作中经常采用,这也误导了很多刚毕业的工程师喜欢使用三端稳压器来实现稳压电源。
这种三端稳压器是线性电源的一种。线性电源的基本原理就是:电阻分压,只不过有一个动态调整的电阻。不管是线性电源还是开关电源都是输出电压负反馈。只不过线性电源通过一个三极管处于一个放大区,等效于一个可以变化阻值的电阻,对输出负载进行分压。通过输出电压分压后反馈,来控制三极管来实现输出的稳压。
线性电源的优点有:
①输出电压的精度较高
② 输出电压纹波低,几个uV甚至更低
③ 没有开关的跳变EMI比较小
④ 结构简单
⑤ 动态响应快,稳压性能好
线性电源的缺点有:
①损耗大,效率低
② 只能实现降压
③ 散热器的体积大,重量大
④ 输入输出电压范围适应性差
其实我们在介绍AC/DC线性电源和开关电源的时候,我们可以发现,其实都是将交流电源通过整流滤波变成直流信号,然后再利用“直流转直流”的线性电源或者开关电源变换成我们期望的电压输出。只不过AC/DC的开关电源会有隔离的需求,我们会选择隔离电源,利用变压器实现隔离,并且利用变压器的匝数比进行降压。
线性电源:采用调整管工作在线性区的方式,通过控制压差实现,后级电路进行稳压,没有开关噪声,输入与输出不能隔离。只能用于降压,同时存在损耗,功耗大时温度会逐步升高,一般用于功耗不大的应用。
开关电源:采用开关管开关的方式,损耗一般较低,输入与输出能够隔离,可以实现升压和降压、升降压的电路。存在开关噪声。电路相比于线性电源更复杂一些。
那么开关电源为什么发展越来越好,在各个领域逐步替代线性电源的比例越来越高呢?开关电源与线性电源的区别,也是经常被问及的问题。对于直流转直流的线性电源和开关电源的对比,如表1.2所示:
表1.2线性电源与开关电源的对比
线性电源 | 开关电源 | |
输入输出电压的关系 | 降压 | 降压、升压、升降压 |
相应时间 | 快 | 慢 |
效率 | 低 | 高 |
噪声 | 低 | 高 |
成本 | 低功率有优势 | 高功率有优势 |
是否可以隔离 | 不可以 | 可以 |
开关电源的效率计算比较复杂,实测出来也是一个曲线:

我们可以看到开关电源在轻载的时候和重载的时候效率比较低,在输入电压和输出电压的压差大的时候效率更低。具体的计算过程,我们在后续进行介绍。
一般情况下,相比于输出功率,线性电源自身的基准电压源、放大器、取样等电路消耗的功率比较小,工程实现时经常忽略不计,即可以认为线性电源的输入电流和输出电流大致相等,而线性电源自身的功耗可以认为就是调整管上的功耗。线性电源的本质是一个电阻分压,所以我们可以直接用公式计算损耗功率及效率:

同类文章排行
- 我国氢能产业发展迎来重要窗口期
- 可控硅(SCR)深度解析:从原理到应用
- 关于矿用整流柜的使用环境
- 保证电气作业安全的技术措施
- 可控硅基本知识
- 电焊技术入门知识,你都知道吗?
- 变压器调压的原理和方式
- 整流柜有哪些外形特征?
- 矿产视野|锑矿与锑产业链——工业火盾,安全领航
- 关于高频开关电源发展的四大趋势







关注微信
手机网站
微信咨询