为什么“先整流,再变压”,不“先变压,再整流”?
有部分朋友提出疑问:“为什么,不直接用变压器对AC电源(220V,50Hz)进行变压,再整流,再降压?”,为什么先整流变成近似直流,再用MOSFET做高频开关对电压进行开关,利用变压器变压?
这个问题的核心是 “工频变压” 与 “高频开关变压” 的技术取舍—— 直接用工频变压器(50Hz)变压再整流降压的方案看似原理直观,但在实际工程中(尤其是无人机、机器人、嵌入式设备等对体积、效率、纹波有严格要求的场景)存在致命缺陷,而 “先整流→高频开关→变压器变压” 的反激电源架构,在“成本、体积、纹波”等方面都有很大的优势。

1. 工频变压器的致命缺陷:体积、效率无法满足现代设备需求
磁芯原理限制:变压器的体积与工作频率成 反比(公式:
体积 ∝ 功率/(频率×磁密×铁芯截面积))。工频 50Hz 时,磁芯需要 “储存更多磁能” 才能完成变压,必须使用 体积大、磁导率低的硅钢片,且初级绕组匝数多(如 220V 转 12V 需近 2000 匝),导致变压器笨重(例如 100W 工频变压器重量约 2kg,而 100W 反激电源变压器仅 50g)。→ 对于、重量 / 体积敏感的设备,工频变压器完全无法适配。能量损耗严重:
铁损(涡流损耗 + 磁滞损耗):工频下硅钢片的涡流损耗与频率的平方成正比,50Hz 时铁损占比极高(如 100W 工频变压器铁损约 20W);
铜损:匝数多导致导线电阻大,电流通过时发热严重(如初级绕组电流 1A 时,铜损 = I²R≈5W)。→ 低效意味着更多电能转化为热量,不仅浪费能源,还需要额外散热(如大型散热片),进一步增加设备体积。
2. 反激电源的核心优势:高频化解决 “体积 + 效率” 痛点
先整流:将 AC 转为 “脉动直流”,为高频开关做准备220V AC 通过整流桥(二极管 / IGBT)转为 310V 左右的脉动直流(峰值 = 220V×√2≈311V),再经小电容滤波后得到 “近似直流”(纹波约 10%)。这一步的目的是:消除 AC 电压的极性变化,让 MOSFET 可以稳定地进行高频开关操作(MOSFET 是单向导电器件,无法直接处理 AC 信号)。
高频开关:将直流 “斩波” 为高频脉冲,缩小变压器体积MOSFET 在 PWM 控制器(如 UC3842、SG3525)的驱动下,以 20kHz~200kHz 的频率快速导通 / 关断(导通时间微秒级),将 310V 直流 “斩波” 为高频脉冲信号(占空比可调)。关键在于:高频脉冲的磁耦合效率远高于工频—— 高频磁芯(如 ferrite 铁氧体)的磁导率是硅钢片的 10~100 倍,仅需几十匝绕组就能实现变压(如 310V 转 12V 仅需 50 匝左右),变压器体积缩小至工频的 1/10~1/50,重量仅为几克到几十克(完美适配无人机、机器人的小型化需求)。
变压 + 整流:高频脉冲经变压器降压后,再转为稳定直流高频脉冲通过变压器次级绕组降压(如 310V→12V),再经快恢复二极管整流、小电容滤波,得到低纹波的稳定直流(纹波电压可控制在 50mV 以内)。配合反馈电路(如光耦 + TL431),可实时调节 MOSFET 的占空比,实现输出电压的高精度稳定(±1%),适配嵌入式系统、传感器、电机驱动等不同负载的需求。
3. 额外优势:适配现代电子设备的复杂需求
动态调压能力
:通过 PWM 占空比调节,可在输入电压波动(如 110V~240V)或负载变化(如无人机电机启停、机器人传感器切换)时,快速稳定输出电压(响应时间 < 1ms),而工频方案无法动态调整,电压波动可达 ±10%。
保护功能易实现
:MOSFET 的快速开关特性可实现过载、短路、过压保护(如短路时 0.1ms 内关断),避免设备损坏;而工频方案需额外加装复杂保护电路,响应慢(>10ms)。
电磁兼容性(EMC)更优
:高频开关电源通过屏蔽、滤波设计,可满足工业级 EMC 标准(如 EN55032),适合需要抗干扰的场景;而工频电源的低频辐射虽小,但纹波大,易对敏感电子元件(如传感器、MCU)造成干扰。
电源按照转换原理分类,可分为线性电源和开关电源。线性电源和开关电源的特点如下:
1、线性电源的调整管工作在放大状态,因而发热量大,效率低(与压降多少有关),需要加体积庞大的散热片。实现交流/直流转换时,还需要同样也是大体积的工频变压器,当要制作多组电压输出时变压器会更庞大。
2、开关电源通过不同的拓扑结构可以实现,降压、升压、升降压。而线性电源只能实现降压。
我们早期大约上世纪90年代,用的一些小功率的家用电器,都是用外置电源适配器来供电的,但是那时候的电源适配器“傻大黑粗”。拿在手上沉甸甸的,供电的时候非常发烫。

在家偷玩小霸王游戏机的同学,家长回家时会不会摸摸电源适配器的温度?
AC/DC开关电源的调整管工作在饱和和截止状态,因而发热量小,效率高。AC/DC开关电源省掉了大体积的工频变压器。但开关电源输出的直流上面会叠加较大的纹波,在输出端并接稳压二极管有可能可以改善,另外由于开关管工作时会产生很大的尖峰脉冲干扰,也需要在电路中串连磁珠加以改善。相对而言线性电源的纹波可以做得很小。
工频变压器尺寸比较大
AC/DC电源分为线性电源和开关电源。早期很多电源适配器都比较重,用的是工频变压器。

工频变压器也称作低频变压器,以示与开关电源用高频变压器有区别,工频变压器在过去传统的电源中大量使用,而这些电源的稳定方式又是采用线性调节的,所以那些传统的电源又被称为线性电源。工频一般指市电的频率,在我国是50Hz,其他国家也有60Hz的。
AC/DC线性电源实现交流转换成直流,是先用变压器把交流电压进行降压,这种直接在市电的频率进行降压的变压器,我们称为工频变压器。工频变压器也称作低频变压器,以示与开关电源用高频变压器有区别,工频变压器在过去传统的电源中大量使用,工频一般指市电的频率,在我国是50Hz,其他国家也有60Hz的。而可以改变这个频率交流电的电压的变压器,就是叫工频变压器了。工频变压器相对于高频变压器,一般体积比较大。所以有工频变压器实现的交流/直流的线性电源体积也就比较大。

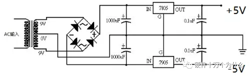
上图为典型的线性电源电路图,实现交流/直流的转换,市电220V经过变压器、镇流器、电容滤波,由线性稳压管实现需要的输出电压。
第一步,线性电源是先经过变压器,利用工频的频率,直接利用变压器的匝数比,实现变压。工频变压器输出一个工频的低压交流电。
第二步,在通过整流桥整流成一个略高于所需要输出电源的电压,经过电容滤波之后形成一个接近直流的电源。

第三步,经过稳压电路

线性电源用工频变压器、开关电源用高频变压器
上世纪60年代开始,由于微电子技术的快速发展,出现了高反压的晶体管,从此直流变换器就可以直接由市电经整流、滤波后输入,不再需要工频变压器降压了,从而极大地扩大了它的应用范围,并在此基础上诞生了无工频降压变压器的开关电源。省掉了工频变压器,又使开关稳压电源的体积和重量大为减小,开关稳压电源才真正做到了效率高、体积小、重量轻。下图是一个典型的单端输出反激式开关电源的功率部分原理图。

典型的单端输出反激式开关电源的功率部分原理图
交流/直流开关电源是需要先对交流电源进行整流滤波形成一个近似的直流高压,然后再通过控制开关管,产生高频的脉冲,通过变压器进行变压。交流/直流开关电源效率更高,体积更小。体积小的一个重要原因是高频变压器比工频变压器体积小很多。
工频变压器和高频变压器的区别
1、磁性材料的差别:
工频变压器采用硅钢片作为磁芯材料的;高频变压器是采用铁氧体磁芯材料。
2、工作频率的差别:
工频变压器的工作频率一般是指50Hz或者60Hz的电源频率;高频变压器的工作频率一般都在1KHz以上,甚至几十KHz或者上百KHz,应用范围不同频率也不一样。
3、应用方面:
工频变压器一般多用于将220V或者110V工频高压变换成工频低压,供小家电的电路板供电使用(如豆浆机、抽油烟机、音响等等,应用范围比较广泛;高频变压器用途就广泛了(如;手机充电器,电子镇流器,开关电源,彩电电源,电脑电源,液晶驱动及电源等等许多场合都有使用)。

为什么频率越高,变压器体积越小?
最重要的是根据麦克斯韦方程,变压器线圈内的感生电动势E为

也就是磁通密度B随时间的变化率在N个面积为Ac的线匝的积分。
对于变压器,变压器原边的感生电动势E与输入侧加的电压U可以认为是线性关系。变压器输入侧的U幅值不变的前提下可以认为E幅值也不变。
此外,每种磁芯的磁通密度B会有一个上限,高频用的铁氧体大约在零点几特斯拉,工频用的铁芯大约在略大于一的水平,差距不是很大。
因此,当频率提高后,在磁通密度B峰值变化不大的前提下,每个周期内的磁通密度变化率dB/dt是大幅增加的,因此可以用更小的Ac或N实现相同的感生电动势E。Ac减小,意味着磁芯截面面积减小;N减小,意味着可以缩小磁芯空窗的面积,两者都可以帮助实现更小的磁芯体积。高频变压器的横截面积更小,线圈的匝数变少,这样体积也就更小了。
开关电源的调整管工作在饱和和截止的状态,因而发热量小,效率高。交流/直流电源省掉了大体积的变压器。但开关电源输出的直流上面会叠加较大的纹波,另外由于开关管工作时会产生很大的尖峰脉冲干扰,也需要在电路中串连磁珠加以改善。相对而言线性电源就没有以上缺陷,它的纹波可以做的很小。
总结:
直接用工频变压器变压的方案,看似 “少了整流、开关步骤”,但牺牲了 体积、效率、稳定性、灵活性,仅适用于老式低功率、无体积限制的场景(如老式收音机、纯电阻加热设备)。而反激电源的 “先整流→高频开关→变压器变压” 架构,通过 “高频化” 解决了工频方案的核心痛点,以极小的体积、高效率、高精度满足了现代电子设备(尤其是无人机、机器人、嵌入式系统)的严苛需求,是工程上的最优解。
简单来说:工频方案是 “直观但落后” 的技术,反激方案是 “复杂但高效” 的工程优化—— 技术的进步往往源于对 “体积、效率、稳定性” 的极致追求,这也是开关电源成为现代电子设备核心部件的根本原因。
同类文章排行
- 我国氢能产业发展迎来重要窗口期
- 关于矿用整流柜的使用环境
- 可控硅(SCR)深度解析:从原理到应用
- 整流柜有哪些外形特征?
- 关于高频开关电源发展的四大趋势
- 保证电气作业安全的技术措施
- 我国新能源发展现状
- 国家能源局:可再生能源,完善绿色电力
- 氢能在工业领域的妙用:你知道多少?
- 中国氢能产业具备10万亿规模潜力







关注微信
手机网站
微信咨询