可控硅原理及电路应用解析
可控硅概况
可控硅是可控硅整流元件的简称,是一种具有三个PN 结的四层结构的大功率半导体器件,一般由两晶闸管反向连接而成。它的功能不仅是整流,还可以用作无触点开关的快速接通或切断;实现将直流电变成交流电的逆变;将一种频率的交流电变成另一种频率的交流电等等。可控硅和其它半导体器件一样,有体积小、效率高、稳定性好、工作可靠等优点。它的出现,使半导体技术从弱电领域进入了强电领域,成为工业、农业、交通运输、军事科研以至商业、民用电器等方面争相采用的元件。目前可控硅在自动控制、机电应用、工业电气及家电等方面都有广泛的应用。
可控硅从外形上区分主要有螺旋式、平板式和平底式三种。螺旋式应用较多。

可控硅结构原件
可控硅有三个极----阳极(A)、阴极(C)和控制极(G),管芯是P型导体和N型导体交迭组成的四层结构,共有三个PN 结,与只有一个PN结的硅整流二极管在结构上迥然不同。可控硅的四层结构和控制极的引入,为其发挥“以小控大”的优异控制特性奠定了基础。可控硅应用时,只要在控制极加上很小的电流或电压,就能控制很大的阳极电流或电压。目前已能制造出电流容量达几百安培以至上千安培的可控硅元件。一般把5安培以下的可控硅叫小功率可控硅,50安培以上的可控硅叫大功率可控硅。
可控硅工作原理
我们可以把从阴极向上数的、二、三层看面是一只NPN型号晶体管,而二、三、四层组成另一只PNP型晶体管。其中第二、第三层为两管交迭共用。可画出图1的等效电路图。当在阳极和阴极之间加上一个正向电压E,又在控制极G和阴极C之间(相当BG2的基一射间)输入一个正的触发信号,BG2将产生基极电流Ib2,经放大,BG2将有一个放大了β2 倍的集电极电流IC2 。因为BG2集电极与BG1基极相连,IC2又是BG1 的基极电流Ib1 。BG1又把Ib1(Ib2)放大了β1的集电极电流IC1送回BG2的基极放大。如此循环放大,直到BG1、BG2完全导通。事实上这一过程是“一触即发”的,对可控硅来说,触发信号加到控制极,可控硅立即导通。导通的时间主要决定于可控硅的性能。
可控硅一经触发导通后,由于循环反馈的原因,流入BG2基极的电流已不只是初始的Ib2 ,而是经过BG1、BG2放大后的电流(β1*β2*Ib2),这一电流远大于Ib2,足以保持BG2的持续导通。此时触发信号即使消失,可控硅仍保持导通状态,只有断开电源E或降低E的输出电压,使BG1、BG2 的集电极电流小于维持导通的小值时,可控硅方可关断。当然,如果E极性反接,BG1、BG2受到反向电压作用将处于截止状态。这时,即使输入触发信号,可控硅也不能工作。反过来,E接成正向,而触动发信号是负的,可控硅也不能导通。另外,如果不加触发信号,而正向阳极电压大到超过一定值时,可控硅也会导通,但已属于非正常工作情况了。
可控硅这种通过触发信号(小触发电流)来控制导通(可控硅中通过大电流)的可控特性,正是它区别于普通硅整流二极管的重要特征。
由于可控硅只有导通和关断两种工作状态,所以它具有开关特性,这种特性需要一定的条件才能转化,此条件见表1

可控硅工作原理
应用举例:
可控硅在实际应用中电路花样多的是其栅极触发回路,概括起来有直流触发电路,交流触发电路,相位触发电路等等。
1、直流触发电路:
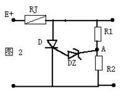
如图2是一个电视机常用的过压保护电路,当E 电压过高时A点电压也变高,当它高于稳压管DZ的稳压值时DZ道通,可控硅D受触发而道通将E 短路,使保险丝RJ熔断,从而起到过压保护的作用。

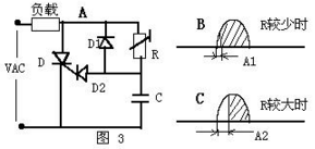
2、相位触发电路:
相位触发电路实际上是交流触发电路的一种,如图3,这个电路的方法是利用RC回路控制触发信号的相位。当R值较少时,RC时间常数较少,触发信号的相移A1较少,因此负载获得较大的电功率;当R值较大时,RC时间常数较大,触发信号的相移A2较大,因此负载获得较少的电功率。这个典型的电功率无级调整电路在日常生活中有很多电气产品中都应用它。

可控硅主要参数有:
1、 额定通态平均电流
在一定条件下,阳极---阴极间可以连续通过的50赫兹正弦半波电流的平均值。
2、 正向阻断峰值电压
在控制极开路未加触发信号,阳极正向电压还未超过导能电压时,可以重复加在可控硅两端的正向峰值电压。可控硅承受的正向电压峰值,不能超过手册给出的这个参数值。
3、 反向阴断峰值电压
当可控硅加反向电压,处于反向关断状态时,可以重复加在可控硅两端的反向峰值电压。使用时,不能超过手册给出的这个参数值。
4、 控制极触发电流
在规定的环境温度下,阳极---阴极间加一定电压,使可控硅从关断状态转为导通状态所需要的小控制极电流和电压。
5、 维持电流
在规定温度下,控制极断路,维持可控硅导通所必需的小阳极正向电流。
近年来,许多新型可控硅元件相继问世,如适于高频应用的快速可控硅,可以用正或负的触发信号控制两个方向导通的双向可控硅,可以用正触发信号使其导通,用负触发信号使其关断的可控硅等等
同类文章排行
- 我国氢能产业发展迎来重要窗口期
- 关于矿用整流柜的使用环境
- 整流柜有哪些外形特征?
- 关于高频开关电源发展的四大趋势
- 可控硅(SCR)深度解析:从原理到应用
- 我国新能源发展现状
- 国家能源局:可再生能源,完善绿色电力
- 氢能在工业领域的妙用:你知道多少?
- 保证电气作业安全的技术措施
- 国家能源局组织发布《新型电力系统发展蓝皮书》







关注微信
手机网站
微信咨询